Todos os Produtos
-
Calibre de pressão diferencial
-
calibre de pressão digital
-
Calibre de pressão de aço inoxidável
-
Transmissor de pressão da precisão
-
Controlador programável da lógica
-
Interruptor nivelado do flutuador
-
Positioner da válvula pneumática
-
Sensor do transmissor da temperatura
-
Hart Field Communicator
-
Válvula de solenoide
-
Válvulas de controle
-
Medidor de fluxo da precisão alta
-
bomba de água submergível
-
Distribuidor do transmissor de pressão
-
Medidor nivelado ultrassônico
-
Medidor de poder atual da tensão
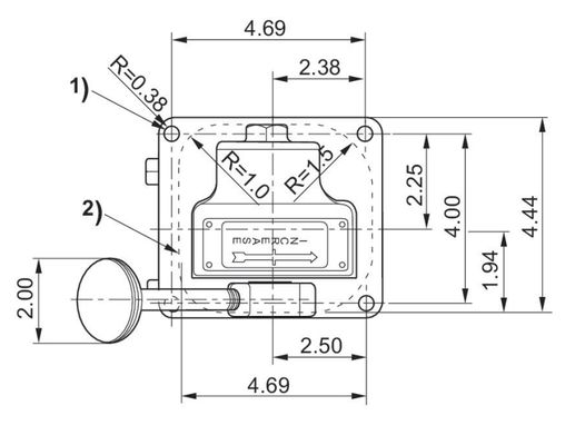
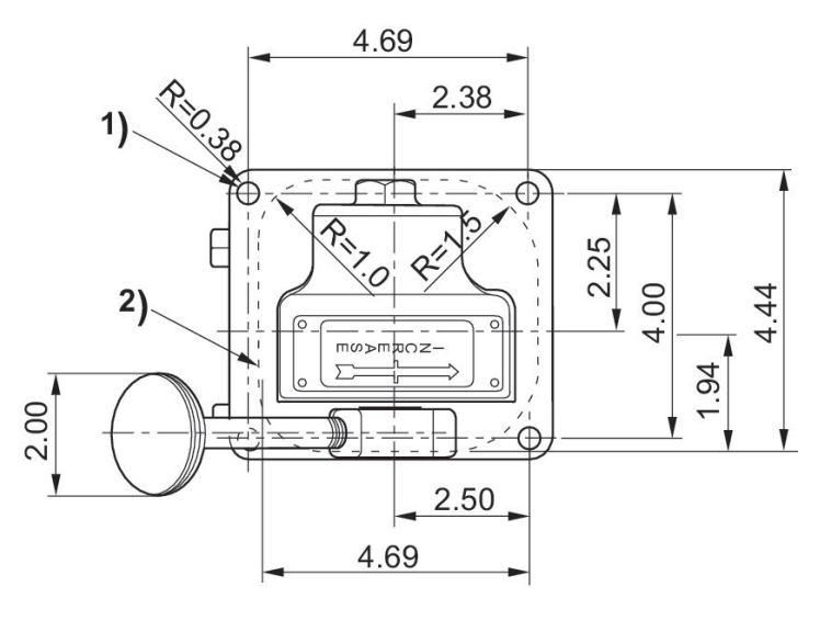
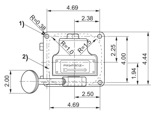
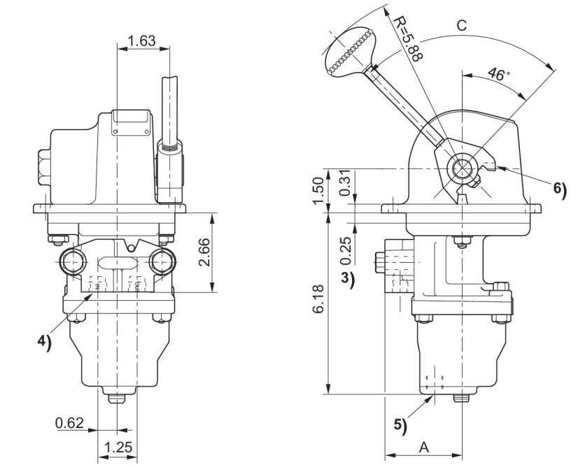
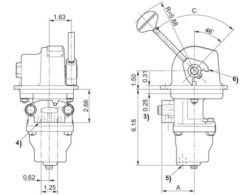
Rexroth AVENTICS R431007252 Poppet valve
Detalhes do produto
| Tipo | Válvula de poppet | Elemento atuante | Alavanca |
|---|---|---|---|
| Entrada de conexão de ar comprimido | 1/4 NPT | Saída do tipo de conexão de ar comprimido | Tópico interno |
| Pressão de trabalho Min. | 0,1 barras | Pressão de trabalho máx | 14 bar |
| Faixa de regulação mín. | 0,1 barras | Faixa de regulação máx. | barra 8,6 |
| Médio | Ar comprimido | Peso | 2,5 kg |
| Destacar | Rexroth AVENTICS poppet valve,R431007252 control valve,industrial poppet valve with warranty |
||
Descrição de produto
Rexroth AVENTICS R431007252 Poppet valve
![]()
Produtos recomendados


